0. 구매배경
저의 키보드는 사무실 제외 집에 있는 키보드가 3대입니다.
그래서 자연스레 키보드를 보관하기 위한 거치대에 관심이 가게 되더군요.
여러 제품을 서칭 중
가장 관심이 갔던건
split_lab의 키보드 보관함이었습니다.
https://smartstore.naver.com/split_lab/products/5654733955
특히 보관 및 전시가 동시에 되는 이 형태가 가장 맘에 들었습니다.

split lab의 키보드 거치대
하지만 이 제품은 품절이었고,
qc 관리의 어려움으로 인해 다시 제작할 계획이 없다고 하시더군요.
다른 방안을 찾았지만
마땅한 제품이 없더군요.
그래서 지인중에 모델링을 하시는 분도 계시고
목공을 하시는 분도 계서서 직접 만들어 보는것을 계획하게 되었습니다.
원래는 위에서 본 split_lab의 보관함 형태로 만들고 싶었지만,
나무로 만들게 되면 부피도 커지고, 제 방에도 마땅히 둘만한 공간이 없더군요.
그러던 중 lp보관함이 눈에 띄더군요.

이 형태로 키보드 보관함을 만들면 괜찮겠다는 생각을 하게 되었습니다.
그래서 도면도 그려보고 모델링을 한 결과


대략 이런 모양이 나오게 되었습니다.
아직 더 수정할 계획이는 하지만
아직 보강이 더 필요하기도 하고,
다른 아크릴을 제단한걸 구매할 계획이 있어서 아직 시간이 있더군요.
보강판 제작에 대한 내용을 지온 채팅에서 이야기 하던중
사장님께서 나사가 필요없는 a3용지 문서함을 추천하시더군요.
서칭중 a3 문서함을 안본건 아니었지만 무게를 견딜수 있을까 해서
포기를 했었는데
자세히 생각해보니 잘 버틸수도 있겠다는 생각도 들었고,
나중에 형태를 참고해서 아크릴로 만들어도 좋겠다는 생각이 들어서 a3용지 문서을 구매하게 되었습니다.
1. 패키징 및 구성

박스는 생각보다 거대한 큰 박스에 왔습니다.

내부 포장
박스 조각 하나만 있을 뿐 안에는 큰 보강 없이 들어있습니다.
비닐을 까면

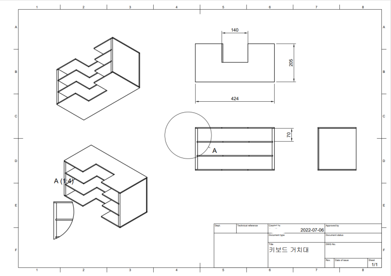
옆판 2개, 뒷판 1개, 선반 3개
옆판 2개, 뒷판 1개, 선반 3개 총 6 피스가 들어 있습니다.

사포와 조립영상 qr코드
사포와 설명서 대신 조립영상 qr코드가 센스있게 들어있습니다.
아래 영상은 큐알코드와 연결되어 있는 조립 영상입니다.
2. 조립 및 완성 모습
조립과정은 위에 영상이 있기에 따로 찍지는 않았습니다만
매우 간단해서 저의 경우 다 조립하는데 5분도 걸리지 않았습니다.

완성된 모습입니다.
3. 사용샷
제가 키보드 보관함을 가장 설치하고 싶었던 장소는 모니터 아래 스피커 사이의 공간이었습니다.



사이에 딱 들어가고 제 키보드 3개도 잘 올라가네요.
4. 장단점
1) 장점
(1) 사이즈

가로 사이즈는 a3 사이즈 이기 때문에 420mm입니다. 풀배의 경우 일반적으로 440mm정도 되기 때문에 풀배는 사용을 못하겠지만 텐키리스는 충분하게 들어가는 공간입니다.
(2) 내구성


가장 중요한 포인트가 아닐까 싶습니다. 적게는 1.5kg~4kg에 가까운 알루 키보드를 과연 버틸수 있는가 인데, 장기적으로 더 사용은 해보아야 겠지만 한층에 2개를 올려도 잘 버티고 있습니다.
2) 단점
(1) 사이즈
가로 사이즈는 맞는 편이지만 세로가 너무 길어서 키보드를 올려놓으면 뒤의 공간이 너무 많이 남아있습니다.

(2) 내구성
이 제품의 재질은 mdf합판입니다. 톱밥을 압축시켜 만든 제품이다보니 습도나 변형에 약합니다.
지금은 잘 버티고 있지만, 장기간 사용했을때 어느정도의 변형이 있을 것 같습니다.

그리고 재질 특성상 보풀이 일어나고, 먼지가 있습니다.
5. 정리
저는 이제품을 배송비 포함 14,400원 정도로 구입을 했습니다.
비싼 가격은 아니지만
디자인이나 구성에서는 아쉬움이 있습니다.
물론 저는 추후 아크릴을 활용하여 제작할 계획이 있기 때문에
수업 및 아이디어비로 생각을 한다면 크게 비싼 가격은 아닌것 같습니다.
그리고
가성비를 원하시고 좁은 공간에 많지 않은 키보드를 수납하실 예정이라면 추천드릴만한 제품인 것 같습니다.
[출처] 키보드 거치대 (feat. a3 문서함)|작성자 하리아빠
'기타' 카테고리의 다른 글
| 지온웍스 악세사리 리뷰(붓, 트위스터, 포크) (1) | 2022.11.24 |
|---|---|
| LINx3 키캡 트레이(린트레이) 리뷰 (1) | 2022.11.24 |
| 슬라이더 픽커(펜 홀더) 리뷰 (0) | 2022.11.24 |
| 게이트론 키캡 리무버 리뷰 (0) | 2022.11.24 |
| 멀티박스 16단(윤활도구 및 스위치 보관함) 후기 (0) | 2022.11.24 |